В проектировании печатных плат с высокой плотностью монтажа (HDI) согласование импеданса является центральным элементом, обеспечивающим целостность высокоскоростных сигналов и надежность системы. По мере развития электроники в сторону более высоких частот и уменьшения размеров, контроль импеданса превратился из опциональной оптимизации в обязательное требование проектирования. TOPFAST, как профессиональный производитель печатных плат, глубоко осознает определяющее влияние точной реализации согласования импеданса в HDI-дизайне на производительность конечного продукта. Мы проанализируем эту ключевую технологию, опираясь на отраслевой опыт.

Сущность согласования импеданса заключается в корректировке соотношения импеданса между линией передачи и нагрузкой для достижения максимальной передачи мощности и минимизации отражений сигнала. В идеальном случае импеданс нагрузки должен полностью соответствовать волновому сопротивлению линии передачи, что гарантирует полное поглощение энергии сигнала и предотвращает искажения и временные ошибки, вызванные отражениями.
Важно отметить, что необходимость согласования импеданса определяется не просто частотой сигнала, а соотношением между временем нарастания/спада сигнала и его задержкой распространения в тракте. Когда время нарастания сигнала (от 10% до 90%) меньше шестикратной задержки распространения по пути, такой сигнал считается высокоскоростным, и точное согласование импеданса становится критически важным.
Реализация согласования импеданса в дизайне HDI плат сталкивается с рядом проблем:
Импеданс дорожки в основном зависит от ее ширины, толщины и расстояния до опорного слоя. В дизайне HDI, где диэлектрические слои обычно тоньше, для поддержания целевого импеданса (например, 50 Ом для несимметричной или 100 Ом для дифференциальной пары) ширина дорожки часто требует соответствующего уменьшения. TOPFAST рекомендует на ранних этапах проектирования разработать детальную схему контроля импеданса, включая:
Для компонентов BGA высокой плотности TOPFAST рекомендует следующие стратегии:
1. Технология микропереходных отверстий в площадке (Via-in-Pad)
Для BGA с шагом ≤0.5 мм размещение микропереходных отверстий непосредственно на контактной площадке является оптимальным выбором. Этот метод:
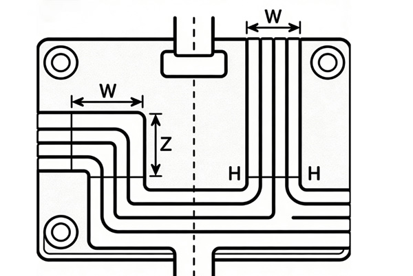
2. Оптимизация рассредоточения выводов по схеме «собачья кость» (Dog-bone)
Для BGA с шагом 0.8–1.0 мм рассредоточение по схеме «собачья кость» остается эффективным решением. Ключевые моменты оптимизации включают:
3. Технология трассировки через каналы, образованные глухими отверстиями
Как показано на рисунке 3, формирование «каналов трассировки» путем размещения глухих отверстий в виде креста, буквы L или по диагонали позволяет:

В согласовании импеданса HDI необходимо системно учитывать влияние паразитных параметров:
Переходное отверстие не является идеальным соединением и включает:
Для высокоскоростных сигналов (>5 ГГц) рекомендуется:
Когда длина дорожки приближается или превышает критическую длину (1/10 длины волны сигнала), необходимо:
Как профессиональный производитель печатных плат, TOPFAST обеспечивает всестороннюю поддержку в области контроля импеданса HDI:
Руководство по выбору материалов: Рекомендация подходящих материалов (таких как MEGTRON 6, FR-4 для высоких скоростей и др.) в зависимости от скорости сигнала для баланса производительности и стоимости.
Оптимизация дизайна стека слоев: Помощь клиентам в проектировании структуры слоев, удовлетворяющей требованиям по импедансу, с учетом толщины меди, диэлектрической проницаемости, растекания препрега и других факторов.
Соответствие технологическим возможностям: Наше производство поддерживает:
Взаимодействие проектирования и производства: Мы рекомендуем клиентам учитывать технологическую реализуемость уже на этапе проектирования. TOPFAST предоставляет консультации на ранних стадиях, помогая избежать распространенных ошибок проектирования.

Для успешной реализации согласования импеданса в HDI TOPFAST рекомендует следующие ключевые проверки:
Согласование импеданса в HDI-платах представляет собой ключевую задачу проектирования, которая эволюционировала от простого электрического согласования до комплексной системной проблемы, требующей баланса электромагнитной целостности, технологических процессов и стоимости. Обладая богатым опытом в области производства, TOPFAST стремится к достижению оптимального баланса между целостностью сигнала, надежностью и затратами посредством раннего взаимодействия с клиентами и комплексной оптимизации решений. Являясь стратегическим партнером, мы постоянно совершенствуем технологии и сервисы, закладывая прочную основу для превосходного контроля импеданса в проектах наших клиентов и будущих прорывах в области электронных устройств.